Multi-Direction Mill Column – Manual
NOTE: This column is for a mill, if you want to put this column on a lathe click here
-
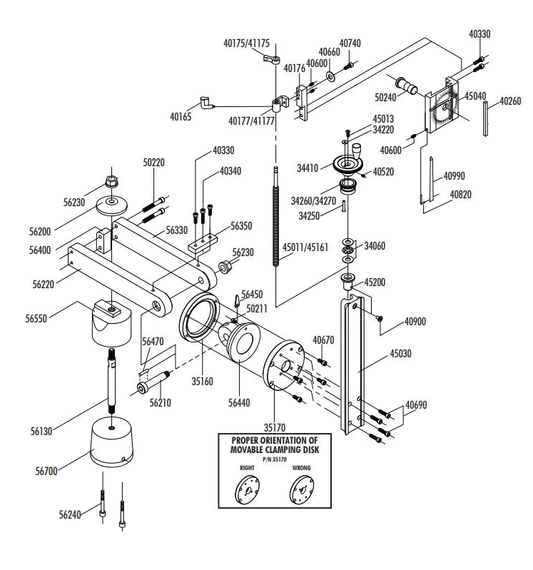
| Part No. | Description | Quantity |
|---|---|---|
| 34060 | Thrust Bearing Set | 1 |
| 3455 3459 |
2.5″ Z Axis Zero Adjustable Handwheel (Inch) 2.5″ Z Axis Zero Adjustable Handwheel (Metric) |
1 |
| 35160 | Graduated Clamping Ring | 1 |
| 35170 | Movable Clamp Disk | 1 |
| 40175 41175 |
Saddle Locking Lever (Inch) Saddle Locking Lever (Metric) |
1 |
| 40176 | Saddle Travel Extension w/Screws | 1 |
| 40177OL 41177OL |
Saddle Nut with Oiler (Inch) Saddle Nut with Oiler (Metric) |
1 |
| 40260 | Head Key | 1 |
| 40330 | 10-32 x 5/8″ SHCS | 4 |
| 40340 | 10-32 x 1″ SHCS | 1 |
| 40600 | 10-32 x 1/4″ Flat Point Set Screw | 1 |
| 40660 | #10 Washer 3/16″ | 1 |
| 40670 | 10-32 x 1/2″ SHCS | 4 |
| 40690 | 10-32 x 3/4″ SHCS | 4 |
| 40740 | 10-32 x 7/8″ SHCS | 1 |
| 40820 | Gib Lock | 1 |
| 40900 | 10-32 x 3/8″ Flat Head Screw | 1 |
| 40990 | Saddle Gib | 1 |
| 45011 45161 |
Column Lead Screw (Inch) Column Lead Screw (Metric) |
1 |
| 45030 | Column Bed | 1 |
| 45040 | Column Saddle | 1 |
| 45200 | Bored Column Thrust | 1 |
| 50211 | 8-32 x 1/4″ Button Socket Screw | 1 |
| 50220 | 1/4-20 x 1-3/4″ SHCS | 2 |
| 50240 | Pivot Pin | 1 |
| 56130 | Arm Hold Down Bolt | 1 |
| 56200 | Arm Hold Down Washer | 1 |
| 56210 | 3/8-16 x 2″ Should Bolt | 1 |
| 56220 | Swing Arm – Left Side | 1 |
| 56230 | 3/8-16 Flange Nut | 2 |
| 56240 | 1/4-20 x 1-1/2″ SHCS | 2 |
| 56330 | Swing Arm – Right Side | 1 |
| 56350 | Column Adjustment Block | 1 |
| 56400 | Arm Spacer Block | 1 |
| 56440 | Arm Mount | 1 |
| 56450 | Index Tab | 1 |
| 56470 | 3/32″ x 1/2″ Dowel Pin | 1 |
| 56550 | Column Top | 1 |
| 56700 | Mill Column Base | 1 |
| 76140 | 5/64″ Hex Key | 1 |
Related products






Mill Collet Set
Sherline milling collets are specifically designed for use with the Morse #1 internal taper, which is standard on both the Sherline lathe and vertical mill. Due to the shallow angle of the Morse #1 taper, tightening the drawbolt results in significantly greater clamping force compared to WW collets. For this reason, we recommend using these milling collets to securely hold miniature end mills (with 3/16" or 1/4" shanks), #1 and smaller center drills, Dremel® bits (1/8" shank), and a variety of other small cutters.
Inch Mill Collet Set: 1/8", 3/16", 1/4"
Metric Mill Collet Set: 3 mm, 4 mm, 6 mm
Note: Tools held in these collets must have a shank diameter within .001" of the stated size. Because of the shallow taper, the collet will remain tight in the spindle even after loosening the drawbolt. To release it, back the drawbolt out a few turns and tap it lightly to free the collet.
⚠️ CAUTION: When tightening the collet drawbolt with a Tommy bar, be careful not to insert the bar too far into the spindle. Doing so can damage the collet’s taper area. The red arrow in the image below shows an example of this type of damage.






