Back to Replacement Parts
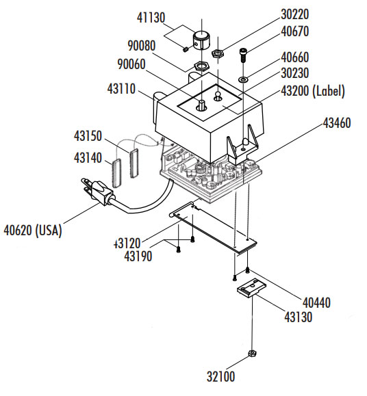
| Part No. | Description | Quantity |
|---|---|---|
| 30220 | Toggle Switch Lock Ring | 1 |
| 30230 | Toggle Switch | 1 |
| 32100 | 10-32 Hex Nut | 1 |
| 40440 | #2 x 1/4″ Pan Head Sheet Metal Screw | 2 |
| 40510 | 10-32 x 3/8″ SHCS | 1 |
| 40520 | 10-32 x 3/16″ Cup Point Set Screw | 1 |
| 40620 | Power Cord (115V) | 1 |
| 41130 | Speed Control Knob | 1 |
| 43110 | DC S/C Unit Cover | 1 |
| 43120 | DC S/C Hinge Plate | 1 |
| 43130 | DC S/C Cover Mount Plate | 1 |
| 43140 | DC S/C Tab (small) | 1 |
| 43150 | DC S/C Tab (large) | 1 |
| 43190 | #2 x 1/4″ Flat Head Screw | 2 |
| 43200 | DC S/C Label | 1 |
| 43460 | DC Electronics | 1 |
| 90060 | 5K Wire Wound Potentiometer | 1 |
| 90080 | 3/8-32 Panel Nut | 1 |




