About the 3C E-Collet
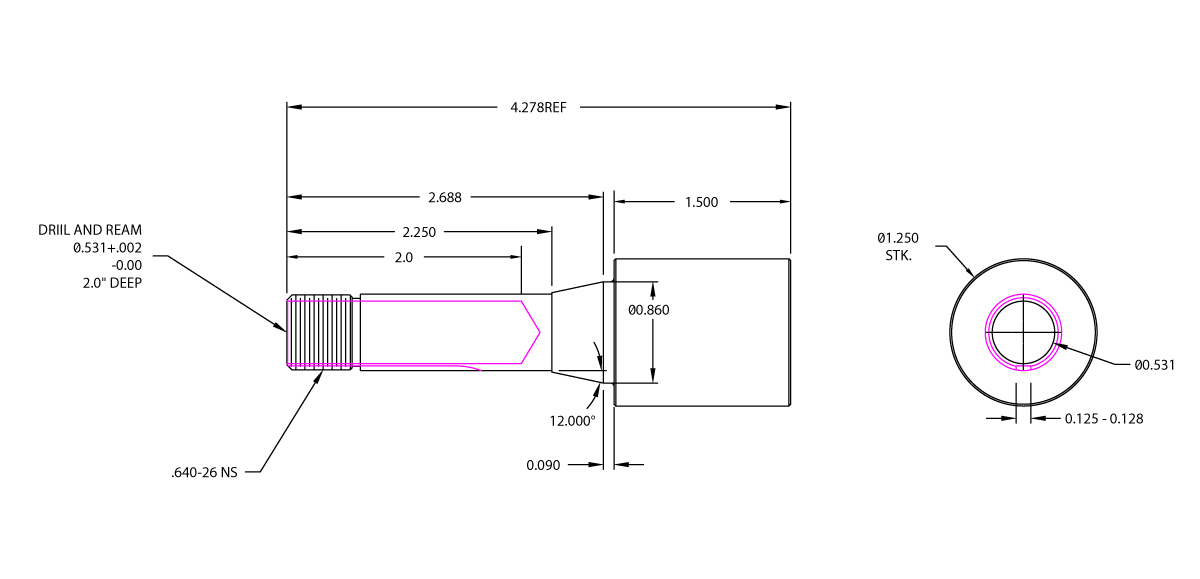
Our 3C E-Collet is designed to give our customers a way to make custom arbors and other part-holding fixtures. It can also be turned and threaded to create a mount for other chucks and fixtures. The 3C E-Collet is made from 12L14 steel so that it can be easily machined. If you need a hardened fixture, 12L14 can be case-hardened after you have machined it. This E-collet is designed to work with our 3C headstock (P/N 30113).


